Occhielli in alluminio

Occhielli in alluminio

Qui nel nostro stabilimento di Dongguan, Nuote Metals produce occhielli in alluminio di qualità. Da molti anni ci concentriamo sulla produzione di occhielli in alluminio. Il nostro alluminio è accuratamente selezionato per essere leggero e resistente. Questi occhielli in alluminio non arrugginiscono e mantengono la loro finitura brillante. Offriamo occhielli in alluminio di varie dimensioni. Alcuni sono piccoli, altri sono piuttosto grandi. Ogni occhiello in alluminio viene esaminato dal nostro staff. Controllano la forma e la superficie. I clienti spesso scelgono i nostri occhielli in alluminio. Li trovano affidabili e di bell'aspetto. Forniamo campioni rapidi per coloro che vogliono provarli.

Invia richiesta

Descrizione del prodotto

Introduzione

Un occhiello in alluminio è un piccolo anello realizzato in alluminio. Aiuta a rinforzare i buchi nel tessuto o in altri materiali. Gli occhielli in alluminio sono più leggeri della maggior parte degli occhielli in metallo. Ciò li rende facili da maneggiare e spedire. Proteggono i bordi dei fori dall'usura. Quando i lacci o le corde vengono tirati, il materiale rimane intatto. Gli occhielli in alluminio resistono all'acqua e non si corrodono. La loro finitura rimane brillante nel tempo. Per fissare gli occhielli in alluminio viene utilizzato un semplice strumento di pressatura. Una volta premuti in posizione, rimangono sicuri e non si allentano.


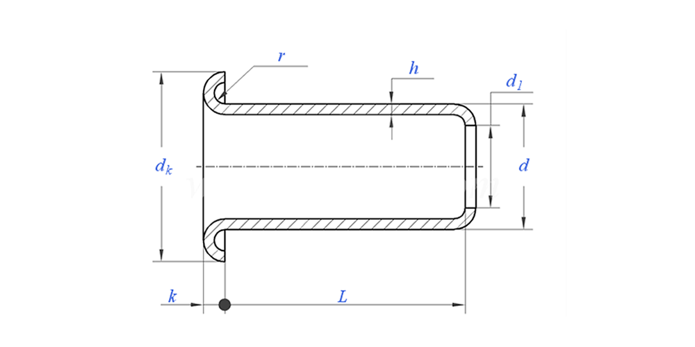
Parametro occhielli in alluminio (specifica)



Materiale Alluminio
Trattamento superficiale Pulito, zincatura, nichelatura, argentatura, come richiesto
Certificato Conforme a Rohs
Diametro del gambo 0,8-10 mm
Tolleranza +/-0,05 mm
Applicazione Adatto per l'uso in vari settori, tra cui tessuti, tende, tele, ecc.
Controllo di qualità L'ispezione dell'intera gamma al 100% durante la produzione garantisce che ciascun prodotto soddisfi gli standard ISO, garantendo prodotti di alta qualità.



occhielli in alluminio disegno come di seguito:

Spettacolo dell'applicazione:


Caratteristiche e applicazione degli occhielli in alluminio

Gli occhielli in alluminio hanno molti usi quotidiani. Si trovano nelle scarpe da ginnastica e negli stivali leggeri per i lacci. Le giacche antipioggia e le giacche a vento li usano per i lacci del cappuccio. Le borse e gli zaini sono spesso dotati di occhielli in alluminio. Le tende da campeggio e i teloni possono includerli per i tiranti. Anche gli attrezzi sportivi come bandiere e gagliardetti utilizzano occhielli in alluminio. Anche alcune custodie e coperture protettive fanno affidamento su di essi. Questi occhielli in alluminio aiutano a mantenere i prodotti funzionali e ordinati. I nostri clienti scelgono i nostri occhielli in alluminio perché sono leggeri e privi di ruggine. Siamo orgogliosi di realizzare occhielli in alluminio durevoli proprio qui a Dongguan.


occhielli in alluminio Dettagli di produzione

Informazioni sull'imballaggio

Domande frequenti:

Q1: Qual è il tuo MOQ per gli occhielli in alluminio?

Il MOQ per i rivetti è di 20.000 pezzi.


Q2: puoi personalizzare la realizzazione con il nostro disegno?

Sì, la maggior parte dei nostri rivetti tubolari sono realizzati su misura con il disegno del cliente.


Q3: potreste fornire campioni gratuiti di rivetti cavi?

Possiamo fornire campioni gratuiti per le dimensioni che abbiamo in magazzino, ma i clienti pagheranno le spese Express.


Q4: qual è il tempo di consegna?

Dimensioni dei rivetti in stock: 3-5 giorni, rivetti non standard: 15-25 giorni. Effettueremo la consegna il prima possibile con la qualità della garanzia.


Q5: La qualità dei tuoi prodotti?

L'azienda dispone di apparecchiature avanzate di produzione e collaudo. Ogni prodotto sarà ispezionato al 100% dal nostro reparto di controllo qualità prima della spedizione.


Q6: Perché scegliamo la tecnologia Nuote?

1.Noi rispettiamo i termini del cliente per proteggere i progetti sulla privacy dei clienti.

2. Alta qualità con un prezzo interessante

3. Termine d'esecuzione veloce

4. Affare felice e onestà nei confronti del cliente e del partner

5. L'annuncio di vendita professionale risponde alla tua richiesta entro 8 ore.

6.I prodotti e i servizi di Nuote sono venduti in più di 70 paesi con una buona reputazione


Tag caldi: Occhielli in alluminio, occhielli in alluminio Cina, produttore di occhielli in alluminio
Categoria correlata
Invia richiesta
Non esitate a dare la vostra richiesta nel modulo sottostante. Ti risponderemo entro 24 ore.
prodotti correlati
X
Utilizziamo i cookie per offrirti una migliore esperienza di navigazione, analizzare il traffico del sito e personalizzare i contenuti. Utilizzando questo sito, accetti il ​​nostro utilizzo dei cookie. politica sulla riservatezza