Occhielli per PCB
  • Occhielli per PCB Occhielli per PCB

Occhielli per PCB

Gli occhielli per PCB presentano una forma cilindrica resistente che aggiunge rinforzo ai fori punzonati in una varietà di materiali, aiutando a prevenire lo sfilacciamento e offrendo bordi puliti e rifiniti. Nuote Metals è un produttore di occhielli per PCB in Cina da oltre 10 anni, disponiamo di molte dimensioni in magazzino.

Invia richiesta

Descrizione del prodotto

Introduzione di occhielli per PCB


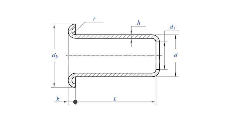
La forma dell'occhiello più comune è l'occhiello rotondo standard, ampiamente utilizzato grazie al suo design semplice ed efficace. Gli occhielli PCB sono generalmente piatti sulla testa.


occhielli per PCB


eyelets for PCB


Spettacolo di applicazioni con occhielli in metallo:


eyelets for PCB



Parametro del prodotto (specifica)


Materiale

Ottone, acciaio, rame, acciaio inossidabile

Trattamento superficiale

Pulito, zincatura, nichelatura, argentatura, come richiesto

Certificato

Conforme a Rohs

Diametro del gambo

0,8-10 mm

Tolleranza

+/-0,05 mm

Applicazione

 Adatto per l'uso in vari settori, tra cuiautomobilistico, aerospaziale, elettrico ed elettronico,  ecc.

Controllo di qualità

L'ispezione dell'intera gamma al 100% durante la produzione garantisce che ciascun prodotto soddisfi gli standard ISO, garantendo prodotti di alta qualità.


Caratteristica e applicazione del prodotto


Gli occhielli per PCB sono tra quelli utilizzati più frequentemente e vengono creati praticando un foro nella sezione superiore di un circuito stampato.


occhielli per dettagli di produzione PCB


eyelets for PCB


Informazioni sull'imballaggio


eyelets for PCB


Domande frequenti:


Q1: Qual è il tuo MOQ per gli occhielli per PCB?

Il MOQ per i rivetti è di 20.000 pezzi.


Q2: puoi personalizzare la realizzazione con il nostro disegno?

Sì, la maggior parte dei nostri occhielli PCB sono realizzati su misura con il disegno del cliente.


Q3: potreste fornire campioni gratuiti di rivetti cavi?

Possiamo fornire campioni gratuiti per le dimensioni che abbiamo in magazzino, ma i clienti pagheranno le spese Express.


Q4: qual è il tempo di consegna?

Dimensioni dei rivetti in stock: 3-5 giorni, rivetti non standard: 15-25 giorni. Effettueremo la consegna il prima possibile con la qualità della garanzia.


Q5: La qualità dei tuoi prodotti?

L'azienda dispone di apparecchiature avanzate di produzione e collaudo. Ogni prodotto sarà ispezionato al 100% dal nostro reparto di controllo qualità prima della spedizione.


Q6: Perché scegliamo la tecnologia Nuote?

1.Noi rispettiamo i termini del cliente per proteggere i progetti sulla privacy dei clienti.

2. Alta qualità con un prezzo interessante

3. Termine d'esecuzione veloce

4. Affare felice e onestà nei confronti del cliente e del partner

5. L'annuncio di vendita professionale risponde alla tua richiesta entro 8 ore.

6.I prodotti e i servizi di Nuote sono venduti in più di 70 paesi con una buona reputazione


Tag caldi: Occhielli per PCB
Categoria correlata
Invia richiesta
Non esitate a dare la vostra richiesta nel modulo sottostante. Ti risponderemo entro 24 ore.
X
Utilizziamo i cookie per offrirti una migliore esperienza di navigazione, analizzare il traffico del sito e personalizzare i contenuti. Utilizzando questo sito, accetti il ​​nostro utilizzo dei cookie. politica sulla riservatezza