Occhiello E Rondella

Occhiello E Rondella

Puoi trovare un occhiello e una rondella in molti oggetti di uso quotidiano. Sono piccole parti metalliche. L'occhiello è come un piccolo anello e la rondella è un disco piatto. Vengono pressati insieme per creare un foro forte e liscio in materiali come tessuto o plastica. Ciò impedisce al materiale di strapparsi. In Cina, Nuote Metals produce queste piccole ma utili parti. produciamo molti tipi di occhiello e rondella per diversi lavori.

Invia richiesta

Descrizione del prodotto

Introduzione di occhiello e rondella

Ciò che rende un occhiello e una rondella così utili è la loro semplicità. Metti l'occhiello attraverso un foro nel materiale. Quindi, posiziona la lavatrice sul retro. Una macchina preme su di essi, comprimendo insieme i pezzi. Questo blocca saldamente il materiale nel mezzo. Il risultato è un foro pulito e resistente che non si consuma facilmente. Grazie a questo design semplice, l'occhiello e la rondella rappresentano una soluzione molto affidabile.


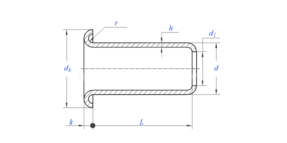
disegno dell'occhiello e della rondella come di seguito:

spettacolo di applicazione di occhielli e rondelle:

Parametro occhiello e rondella (specifica)

Materiale Ottone
Trattamento superficiale Pulito, zincatura, nichelatura, argentatura, come richiesto
Tipo di testa Rivetti solidi a testa tonda
Certificato Conforme a Rohs
Diametro del gambo 0,8-8 mm
Tolleranza +/-0,05 mm
Applicazione Adatto per l'uso in vari settori, tra cui quello automobilistico, aerospaziale, elettrico ed elettronico, ecc.
Controllo di qualità L'ispezione dell'intera gamma al 100% durante la produzione garantisce che ciascun prodotto soddisfi gli standard ISO, garantendo prodotti di alta qualità.




Funzionalità e applicazione di occhielli e rondelle

Un buon esempio di dove si vedono un occhiello e una rondella è su una lattina di olio. Molte lattine di olio hanno un piccolo beccuccio di metallo per versare. Questo beccuccio è molto utile e potrebbe facilmente strapparsi. Ma se guardi da vicino, vedrai spesso un piccolo anello di metallo che rinforza l'apertura. Questo è l'occhiello e la rondella al lavoro. Rende forte il beccuccio e previene le perdite, quindi l'olio può durare a lungo. È un uso perfetto per questo semplice paio di parti.


occhiello e rondella Dettagli di produzione

Informazioni sull'imballaggio

Domande frequenti:

Q1: Qual è il tuo MOQ per occhiello e rondella?

Il MOQ per i rivetti è di 20.000 pezzi.


Q2: puoi personalizzare la realizzazione con il nostro disegno?

Sì, la maggior parte dei nostri rivetti tubolari sono realizzati su misura con il disegno del cliente.


Q3: potreste fornire campioni gratuiti di rivetti cavi?

Possiamo fornire campioni gratuiti per le dimensioni che abbiamo in magazzino, ma i clienti pagheranno le spese Express.


Q4: qual è il tempo di consegna?

Dimensioni dei rivetti in stock: 3-5 giorni, rivetti non standard: 15-25 giorni. Effettueremo la consegna il prima possibile con la qualità della garanzia.


Q5: La qualità dei tuoi prodotti?

L'azienda dispone di apparecchiature avanzate di produzione e collaudo. Ogni prodotto sarà ispezionato al 100% dal nostro reparto di controllo qualità prima della spedizione.


Q6: Perché scegliamo la tecnologia Nuote?

1.Noi rispettiamo i termini del cliente per proteggere i progetti sulla privacy dei clienti.

2. Alta qualità con un prezzo interessante

3. Termine d'esecuzione veloce

4. Affare felice e onestà nei confronti del cliente e del partner

5. L'annuncio di vendita professionale risponde alla tua richiesta entro 8 ore.

6.I prodotti e i servizi di Nuote sono venduti in più di 70 paesi con una buona reputazione


Tag caldi: Occhiello e rondella, Cina Occhiello e rondella, Produttore di occhielli e rondelle
Categoria correlata
Invia richiesta
Non esitate a dare la vostra richiesta nel modulo sottostante. Ti risponderemo entro 24 ore.
X
Utilizziamo i cookie per offrirti una migliore esperienza di navigazione, analizzare il traffico del sito e personalizzare i contenuti. Utilizzando questo sito, accetti il ​​nostro utilizzo dei cookie. politica sulla riservatezza