Occhielli in metallo

Occhielli in metallo

Probabilmente hai visto gli occhielli di metallo molte volte senza nemmeno notarli. Sono quei piccoli anelli di metallo che rinforzano i fori in tutti i tipi di prodotti. Un occhiello di metallo potrebbe sembrare semplice, ma è progettato per risolvere un problema comune: impedire che i fori si strappino o si usurino. Che sia nelle tue scarpe o nel tuo zaino, questo piccolo componente lavora duro per far durare le cose più a lungo.

Invia richiesta

Descrizione del prodotto

Introduzione dell'occhiello in metallo

Mettere un occhiello di metallo è abbastanza semplice. Posiziona la parte principale attraverso il materiale, quindi premi la rondella sul retro. Strumenti speciali possono farlo rapidamente, ma anche strumenti semplici funzionano bene. La cosa fantastica di un occhiello in metallo è che protegge il materiale attorno al foro dall'usura, mantenendo tutto pulito e resistente.


Spettacolo di applicazioni con occhielli in metallo:

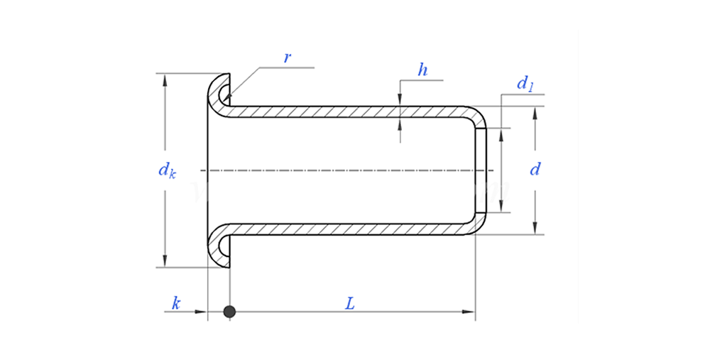
disegno dell'occhiello in metallo come di seguito:


Parametro occhielli metallici (specifiche)



Materiale Ottone, acciaio, alluminio, acciaio inossidabile, rame
Trattamento superficiale Pulito, zincatura, nichelatura, argentatura, come richiesto
Certificato Conforme a Rohs
Diametro del gambo 0,8-10 mm
Tolleranza +/-0,05 mm
Applicazione Adatto per l'uso in vari settori, tra cui quello automobilistico, aerospaziale, elettrico ed elettronico, ecc.
Controllo di qualità L'ispezione dell'intera gamma al 100% durante la produzione garantisce che ciascun prodotto soddisfi gli standard ISO, garantendo prodotti di alta qualità.



Caratteristica e applicazione degli occhielli in metallo

Rimarrai sorpreso da quanti posti puoi trovare occhielli di metallo che lavorano sodo. Sono il motivo per cui i fori dei lacci delle scarpe non si strappano dopo un uso ripetuto. Negli attrezzi da esterno come tende e vele, gli occhielli in metallo resistono senza problemi alle condizioni atmosferiche difficili. Sono essenziali anche negli ambienti industriali, poiché aiutano a organizzare cavi e fili. Ovunque ci sia un buco che necessita di protezione, probabilmente troverai un occhiello di metallo che fa il suo lavoro.


Dettagli sulla produzione degli occhielli in metallo

Informazioni sull'imballaggio

Domande frequenti:

Q1: Qual è il tuo MOQ per l'occhiello in metallo?

Il MOQ per i rivetti è di 20.000 pezzi.


Q2: puoi personalizzare la realizzazione con il nostro disegno?

Sì, la maggior parte dei nostri rivetti tubolari sono realizzati su misura con il disegno del cliente.


Q3: potreste fornire campioni gratuiti di rivetti cavi?

Possiamo fornire campioni gratuiti per le dimensioni che abbiamo in magazzino, ma i clienti pagheranno le spese Express.


Q4: qual è il tempo di consegna?

Dimensioni dei rivetti in stock: 3-5 giorni, rivetti non standard: 15-25 giorni. Effettueremo la consegna il prima possibile con la qualità della garanzia.


Q5: La qualità dei tuoi prodotti?

L'azienda dispone di apparecchiature avanzate di produzione e collaudo. Ogni prodotto sarà ispezionato al 100% dal nostro reparto di controllo qualità prima della spedizione.


Q6: Perché scegliamo la tecnologia Nuote?

1.Noi rispettiamo i termini del cliente per proteggere i progetti sulla privacy dei clienti.

2. Alta qualità con un prezzo interessante

3. Termine d'esecuzione veloce

4. Affare felice e onestà nei confronti del cliente e del partner

5. L'annuncio di vendita professionale risponde alla tua richiesta entro 8 ore.

6.I prodotti e i servizi di Nuote sono venduti in più di 70 paesi con una buona reputazione


Tag caldi: Occhielli in metallo, Occhielli in metallo Cina, Fabbrica di occhielli in metallo
Categoria correlata
Invia richiesta
Non esitate a dare la vostra richiesta nel modulo sottostante. Ti risponderemo entro 24 ore.
X
Utilizziamo i cookie per offrirti una migliore esperienza di navigazione, analizzare il traffico del sito e personalizzare i contenuti. Utilizzando questo sito, accetti il ​​nostro utilizzo dei cookie. politica sulla riservatezza