Anello di tenuta in metallo

Anello di tenuta in metallo

Siamo Nuote Metals di Dongguan, Cina. La nostra fabbrica produce molti tipi di anelli di tenuta in metallo per usi diversi. Produciamo prodotti con anelli di tenuta in metallo da oltre dieci anni. Utilizziamo metalli diversi per realizzare questi articoli con occhiello in metallo. Ottone, acciaio e alluminio sono materiali comuni. Realizziamo passacavi in ​​metallo di tutte le dimensioni. Quelli piccoli per le scarpe, quelli grandi per i teloni. Ogni anello di tenuta in metallo viene controllato dai nostri lavoratori prima dell'imballaggio. Testano ogni pezzo per assicurarsi che funzioni bene. Molti clienti acquistano regolarmente i nostri prodotti con anelli di tenuta in metallo. A loro piace la nostra buona qualità e la nostra fornitura affidabile.

Invia richiesta

Descrizione del prodotto

Introduzione

Un anello di tenuta in metallo è un anello che rende i fori più resistenti. È inserito in materiale come tessuto o pelle. Quando fai passare qualcosa attraverso l'anello di tenuta in metallo, il foro non si strappa. L'anello di tenuta in metallo protegge il materiale. Inoltre, conferisce al prodotto un aspetto ordinato. La maggior parte dei gommini in metallo sono di forma rotonda. Sono facili da installare con una pressa. La macchina inserisce rapidamente l'anello di tenuta in metallo nel materiale. Quindi l'anello di tenuta in metallo rimane saldamente in posizione per un uso prolungato.


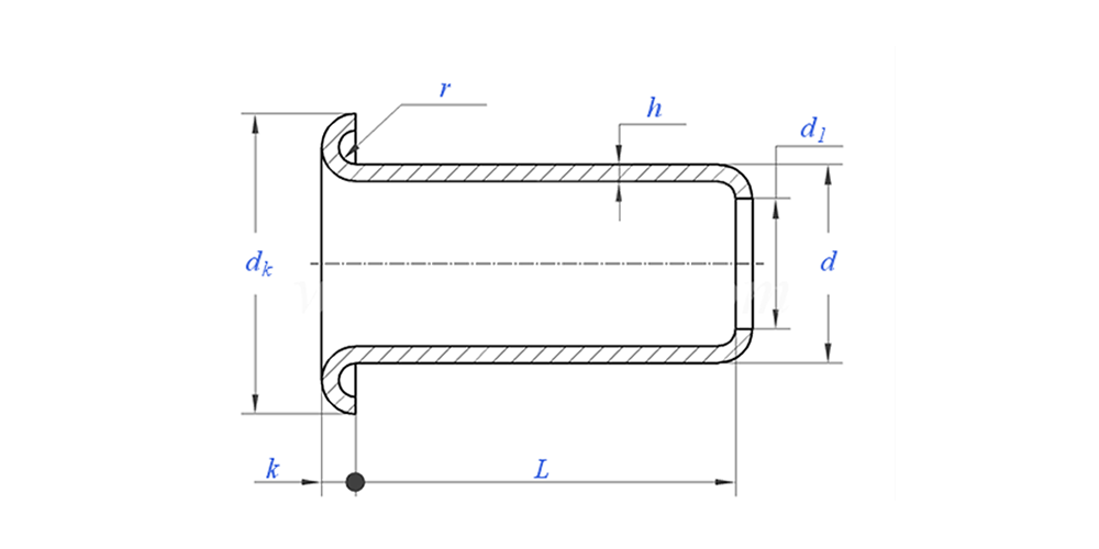
Disegno dell'anello di tenuta in metallo come di seguito:

Parametro dell'anello di tenuta in metallo (specifica)



Materiale Ottone, acciaio, alluminio, acciaio inossidabile, rame
Trattamento superficiale Pulito, zincatura, nichelatura, argentatura, come richiesto
Certificato Conforme a Rohs
Diametro del gambo 0,8-10 mm
Tolleranza +/-0,05 mm
Applicazione Adatto per l'uso in vari settori, tra cui quello automobilistico, aerospaziale, elettrico ed elettronico, ecc.
Controllo di qualità L'ispezione dell'intera gamma al 100% durante la produzione garantisce che ciascun prodotto soddisfi gli standard ISO, garantendo prodotti di alta qualità.


Caratteristica e applicazione dell'anello di tenuta in metallo

L'anello di tenuta in metallo ha molte applicazioni. Le scarpe utilizzano un occhiello in metallo per i fori dei lacci. Le borse utilizzano anelli di tenuta in metallo per maniglie e cinghie. Tende e teloni necessitano di occhielli metallici per le corde. Gli indumenti come le felpe con cappuccio a volte hanno un anello di tenuta in metallo per le corde. Le coperture dei mobili utilizzano un occhiello in metallo per legarle. Anche i prodotti industriali necessitano di anelli di tenuta in metallo per varie funzioni. Questo piccolo anello di tenuta in metallo aiuta molti prodotti a funzionare meglio e a durare più a lungo. Ecco perché così tante fabbriche vorrebbero scegliere i nostri prodotti con anelli di tenuta in metallo. Si fidano della nostra esperienza e del nostro controllo di qualità.


Dettagli sulla produzione di indumenti in metallo

Informazioni sull'imballaggio

Domande frequenti:

Q1: Qual è il tuo MOQ per l'anello di tenuta in metallo?

Il MOQ per i rivetti è di 20.000 pezzi.


Q2: puoi personalizzare la realizzazione con il nostro disegno?

Sì, la maggior parte dei nostri rivetti tubolari sono realizzati su misura con il disegno del cliente.


Q3: potreste fornire campioni gratuiti di rivetti cavi?

Possiamo fornire campioni gratuiti per le dimensioni che abbiamo in magazzino, ma i clienti pagheranno le spese Express.


Q4: qual è il tempo di consegna?

Dimensioni dei rivetti in stock: 3-5 giorni, rivetti non standard: 15-25 giorni. Effettueremo la consegna il prima possibile con la qualità della garanzia.


Q5: La qualità dei tuoi prodotti?

L'azienda dispone di apparecchiature avanzate di produzione e collaudo. Ogni prodotto sarà ispezionato al 100% dal nostro reparto di controllo qualità prima della spedizione.


Q6: Perché scegliamo la tecnologia Nuote?

1.Noi rispettiamo i termini del cliente per proteggere i progetti sulla privacy dei clienti.

2. Alta qualità con un prezzo interessante

3. Termine d'esecuzione veloce

4. Affare felice e onestà nei confronti del cliente e del partner

5. L'annuncio di vendita professionale risponde alla tua richiesta entro 8 ore.

6.I prodotti e i servizi di Nuote sono venduti in più di 70 paesi con una buona reputazione


Tag caldi: Occhiello in metallo Cina, produttore di anelli di tenuta in metallo, fornitore di anelli di tenuta in metallo
Categoria correlata
Invia richiesta
Non esitate a dare la vostra richiesta nel modulo sottostante. Ti risponderemo entro 24 ore.
X
Utilizziamo i cookie per offrirti una migliore esperienza di navigazione, analizzare il traffico del sito e personalizzare i contenuti. Utilizzando questo sito, accetti il ​​nostro utilizzo dei cookie. politica sulla riservatezza