Occhiello in acciaio

Occhiello in acciaio

Siamo Nuote Metals, con sede a Dongguan. La nostra fabbrica è specializzata nella produzione di acciaio per occhielli. Lavoriamo con l'acciaio per occhielli da molti anni. Questo tipo di acciaio è realizzato per essere resistente e facile da modellare. Trasformiamo l'acciaio in lamiere sottili o in bobine. Quindi lo tagliamo e lo modelliamo in occhielli. Il nostro acciaio per occhielli è pulito e liscio. Non ha spigoli vivi. Produciamo molte dimensioni da questo acciaio per occhielli. Ogni pezzo viene controllato per qualità. Molti clienti acquistano i nostri prodotti in acciaio con occhielli. Si fidano della forza e finiscono. Possiamo anche personalizzare l'acciaio degli occhielli per ordini speciali.

Invia richiesta

Descrizione del prodotto

Introduzione all'acciaio per occhielli

L'acciaio per occhielli è realizzato in acciaio speciale. È più morbido di altri acciai. Ciò rende l'acciaio facile da pressare e modellare. Quando realizzi gli occhielli dall'acciaio per occhielli, sono resistenti ma non fragili. Possono essere piegati senza rompersi. L'acciaio per occhielli ha spesso una finitura lucida o rivestita. Questo aiuta a prevenire la ruggine e a mantenerlo in buone condizioni. Per lavorare l'acciaio per occhielli utilizziamo macchine per lo stampaggio. Le macchine punzonano l'acciaio in anelli rotondi. Poi questi anelli diventano gli occhielli che usiamo ogni giorno.



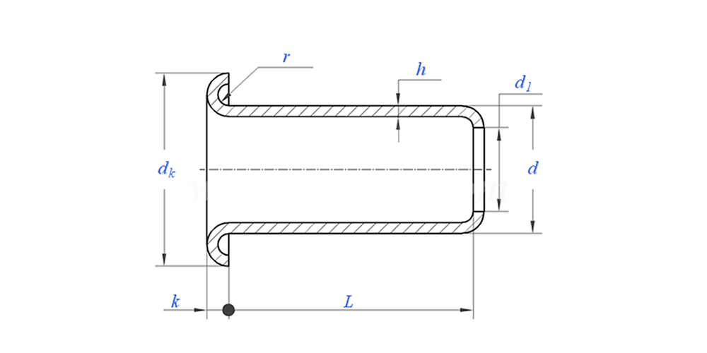
Parametro dell'acciaio dell'occhiello (specifica)



Materiale acciaio
Trattamento superficiale Pulito, zincatura, nichelatura, argentatura, come richiesto
Certificato Conforme a Rohs
Diametro del gambo 0,8-10 mm
Tolleranza +/-0,05 mm
Applicazione Adatto per l'uso in vari settori, tra cui quello automobilistico, aerospaziale, elettrico ed elettronico, ecc.
Controllo di qualità L'ispezione dell'intera gamma al 100% durante la produzione garantisce che ciascun prodotto soddisfi gli standard ISO, garantendo prodotti di alta qualità.




disegno come di seguito:


Caratteristica e applicazione dell'occhiello in acciaio

Le scarpe utilizzano occhielli in acciaio per i lacci. Borse e cinture ne hanno bisogno per fori e cinghie. Anche gli attrezzi da esterno come le tende utilizzano occhielli in acciaio. Gli abiti da lavoro e le uniformi spesso ne sono dotati. Alcuni mobili e coperture per auto utilizzano occhielli in acciaio. Anche gli zaini per bambini utilizzano piccoli occhielli in acciaio. Questi occhielli resistono bene all'uso quotidiano. Sono resistenti e non strappano il materiale. I nostri clienti scelgono l'acciaio per occhielli per prestazioni affidabili. Sanno che l'acciaio per occhielli farà bene il lavoro. Siamo lieti di fornire acciaio per occhielli di qualità dalla nostra officina di Dongguan.


Dettagli in acciaio con occhielli

Domande frequenti:

Q1: Qual è il tuo MOQ per l'acciaio per occhielli?

Il MOQ per i rivetti è di 20.000 pezzi.


Q2: puoi personalizzare la realizzazione con il nostro disegno?

Sì, la maggior parte dei nostri rivetti tubolari sono realizzati su misura con il disegno del cliente.


Q3: potreste fornire campioni gratuiti di rivetti cavi?

Possiamo fornire campioni gratuiti per le dimensioni che abbiamo in magazzino, ma i clienti pagheranno le spese Express.


Q4: qual è il tempo di consegna?

Dimensioni dei rivetti in stock: 3-5 giorni, rivetti non standard: 15-25 giorni. Effettueremo la consegna il prima possibile con la qualità della garanzia.


Q5: La qualità dei tuoi prodotti?

L'azienda dispone di apparecchiature avanzate di produzione e collaudo. Ogni prodotto sarà ispezionato al 100% dal nostro reparto di controllo qualità prima della spedizione.


Q6: Perché scegliamo la tecnologia Nuote?

1.Noi rispettiamo i termini del cliente per proteggere i progetti sulla privacy dei clienti.

2. Alta qualità con un prezzo interessante

3. Termine d'esecuzione veloce

4. Affare felice e onestà nei confronti del cliente e del partner

5. L'annuncio di vendita professionale risponde alla tua richiesta entro 8 ore.

6.I prodotti e i servizi di Nuote sono venduti in più di 70 paesi con una buona reputazione


Tag caldi: Occhiello in acciaio, Occhiello in acciaio Cina, Fabbrica di occhielli in Cina
Categoria correlata
Invia richiesta
Non esitate a dare la vostra richiesta nel modulo sottostante. Ti risponderemo entro 24 ore.
X
Utilizziamo i cookie per offrirti una migliore esperienza di navigazione, analizzare il traffico del sito e personalizzare i contenuti. Utilizzando questo sito, accetti il ​​nostro utilizzo dei cookie. politica sulla riservatezza