Occhielli in acciaio
  • Occhielli in acciaio Occhielli in acciaio

Occhielli in acciaio

Nuote Metals è un produttore professionale di occhielli in acciaio in Cina, abbiamo oltre 10 anni di esperienza lavorativa, gli occhielli in acciaio sono realizzati in lamiera d'acciaio mediante tecniche di imbutitura profonda, sono noti per la loro resistenza e durata.

Invia richiesta

Descrizione del prodotto

Introduzione degli occhielli in acciaio


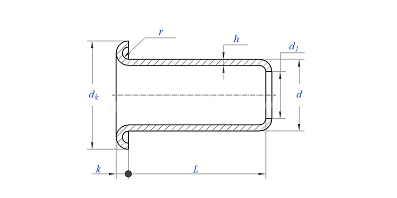
Gli occhielli sono piccoli elementi di fissaggio di forma cilindrica utilizzati per rinforzare i fori nei materiali. Sono costituiti da una sezione a botte con una flangia su un'estremità. Gli occhielli in acciaio sono spesso utilizzati in applicazioni pesanti nel settore calzaturiero come stivali da lavoro, scarpe militari, scarpe antinfortunistiche, ecc.


Steel eyelets


Mostra applicazione occhielli in acciaio:


Steel eyelets



Parametro del prodotto (specifica)


Materiale

acciaio

Trattamento superficiale

Pulito, zincatura, nichelatura, argentatura, come richiesto

Certificato

Conforme a Rohs

Diametro del gambo

0,8-10 mm

Tolleranza

+/-0,05 mm

Applicazione

 Adatto per l'uso in vari settori, tra cuiautomobilistico, aerospaziale, elettrico ed elettronico,  ecc.

Controllo di qualità

L'ispezione dell'intera gamma al 100% durante la produzione garantisce che ciascun prodotto soddisfi gli standard ISO, garantendo prodotti di alta qualità.




Caratteristica e applicazione del prodotto


gli occhielli in acciaio sono di dimensioni più piccole rispetto ai rivetti e vengono utilizzati in applicazioni in cui è necessaria una soluzione di fissaggio temporanea. Sono composti da un anello metallico cavo che viene inserito in un foro nel materiale e poi piegato per mantenerlo in posizione. Gli occhielli possono essere trovati in varie applicazioni, come pelletteria, tessuti e artigianato con la carta.


occhielli in acciaio Dettagli di produzione


Steel eyelets


Informazioni sull'imballaggio


Steel eyelets


Domande frequenti:


Q1: Qual è il tuo MOQ per gli occhielli in acciaio?

Il MOQ per i rivetti è di 20.000 pezzi.


Q2: puoi personalizzare la realizzazione con il nostro disegno?

Sì, la maggior parte dei nostri occhielli sono realizzati su misura con il disegno del cliente.


Q3: potreste fornire campioni gratuiti di rivetti ad occhiello?

Possiamo fornire campioni gratuiti per le dimensioni che abbiamo in magazzino, ma i clienti pagheranno le spese Express.


Q4: qual è il tempo di consegna?

Dimensioni dei rivetti in stock: 3-5 giorni, rivetti non standard: 15-25 giorni. Effettueremo la consegna il prima possibile con la qualità della garanzia.


Q5: La qualità dei tuoi prodotti?

L'azienda dispone di apparecchiature avanzate di produzione e collaudo. Ogni prodotto sarà ispezionato al 100% dal nostro reparto di controllo qualità prima della spedizione.


Q6: Perché scegliamo la tecnologia Nuote?

1.Noi rispettiamo i termini del cliente per proteggere i progetti sulla privacy dei clienti.

2. Alta qualità con un prezzo interessante

3. Termine d'esecuzione veloce

4. Affare felice e onestà nei confronti del cliente e del partner

5. L'annuncio di vendita professionale risponde alla tua richiesta entro 8 ore.

6.I prodotti e i servizi di Nuote sono venduti in più di 70 paesi con una buona reputazione




Tag caldi: Occhielli in acciaio
Categoria correlata
Invia richiesta
Non esitate a dare la vostra richiesta nel modulo sottostante. Ti risponderemo entro 24 ore.
X
Utilizziamo i cookie per offrirti una migliore esperienza di navigazione, analizzare il traffico del sito e personalizzare i contenuti. Utilizzando questo sito, accetti il ​​nostro utilizzo dei cookie. politica sulla riservatezza