Anello di tenuta in acciaio

Anello di tenuta in acciaio

Ciao da Dongguan, Cina. Siamo Nuote Metalli. Qui produciamo robusti anelli di tenuta in acciaio. La nostra fabbrica produce ogni giorno anelli di tenuta in acciaio. Usiamo un buon materiale d'acciaio. Questo acciaio è spesso e resistente. Produciamo anelli di tenuta in acciaio in molte dimensioni. Alcuni sono piccoli. Alcuni sono molto grandi. Ogni anello di tenuta in acciaio viene controllato dal nostro team. Osservano attentamente ogni pezzo. Molti clienti acquistano ripetutamente i nostri anelli di tenuta in acciaio. A loro piace la nostra qualità. Si fidano dei nostri prodotti. Lavoriamo duramente per realizzare buoni anelli di tenuta in acciaio per tutti.

Invia richiesta

Descrizione del prodotto

Introduzione all'anello di tenuta in acciaio

Un anello di tenuta in acciaio è un semplice anello di metallo. Entra nei buchi del tessuto o della pelle. L'anello di tenuta in acciaio rende il foro resistente. Quando ci passi la corda, il foro non si strappa. Gli occhielli in acciaio funzionano bene all'esterno. Non arrugginiscono facilmente. La pioggia e il sole non li danneggiano molto. Per inserire un anello di tenuta in acciaio, è necessaria una macchina. La macchina preme l'anello di tenuta in acciaio nel materiale. Poi resta lì per molto tempo. Non si allenta. Ecco come gli occhielli in acciaio aiutano a far durare le cose.



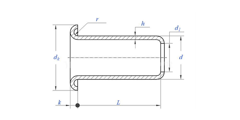
Parametro dell'anello di tenuta in acciaio (specifica)



Materiale acciaio
Trattamento superficiale Pulito, zincatura, nichelatura, argentatura, come richiesto
Certificato Conforme a Rohs
Diametro del gambo 0,8-10 mm
Tolleranza +/-0,05 mm
Applicazione Adatto per l'uso in vari settori, tra cui quello automobilistico, aerospaziale, elettrico ed elettronico, ecc.
Controllo di qualità L'ispezione dell'intera gamma al 100% durante la produzione garantisce che ciascun prodotto soddisfi gli standard ISO, garantendo prodotti di alta qualità.




Disegno dell'anello di tenuta in acciaio come di seguito:


Caratteristica e applicazione dell'anello di tenuta in acciaio

Gli anelli di tenuta in acciaio sono utilizzati in molti luoghi. Le coperture del camion utilizzano occhielli in acciaio per il fissaggio. Le tende necessitano di occhielli in acciaio per le corde. Le borse hanno anelli di tenuta in acciaio per le maniglie. Alcune scarpe utilizzano occhielli in acciaio per i lacci. Anche gli abiti da lavoro hanno occhielli in acciaio. I segnali esterni spesso utilizzano occhielli in acciaio per appenderli. Anche le barche utilizzano anelli di tenuta in acciaio per le loro coperture. Gli anelli di tenuta in acciaio sono ovunque. Aiutano a tenere insieme le cose. e rendere le cose forti e sicure. I nostri clienti scelgono i nostri anelli di tenuta in acciaio perché funzionano bene. Sanno che i nostri anelli di tenuta in acciaio non li deluderanno. Siamo orgogliosi di realizzare prodotti così utili qui a Dongguan.


Dettagli occhiello in acciaio

Informazioni sull'imballaggio dell'anello di tenuta in acciaio

Domande frequenti:

Q1: Qual è il tuo MOQ per l'anello di tenuta in acciaio?

Il MOQ per i rivetti è di 20.000 pezzi.


Q2: puoi personalizzare la realizzazione con il nostro disegno?

Sì, la maggior parte dei nostri rivetti tubolari sono realizzati su misura con il disegno del cliente.


Q3: potreste fornire campioni gratuiti di rivetti cavi?

Possiamo fornire campioni gratuiti per le dimensioni che abbiamo in magazzino, ma i clienti pagheranno le spese Express.


Q4: qual è il tempo di consegna?

Dimensioni dei rivetti in stock: 3-5 giorni, rivetti non standard: 15-25 giorni. Effettueremo la consegna il prima possibile con la qualità della garanzia.


Q5: La qualità dei tuoi prodotti?

L'azienda dispone di apparecchiature avanzate di produzione e collaudo. Ogni prodotto sarà ispezionato al 100% dal nostro reparto di controllo qualità prima della spedizione.


Q6: Perché scegliamo la tecnologia Nuote?

1.Noi rispettiamo i termini del cliente per proteggere i progetti sulla privacy dei clienti.

2. Alta qualità con un prezzo interessante

3. Termine d'esecuzione veloce

4. Affare felice e onestà nei confronti del cliente e del partner

5. L'annuncio di vendita professionale risponde alla tua richiesta entro 8 ore.

6.I prodotti e i servizi di Nuote sono venduti in più di 70 paesi con una buona reputazione

Tag caldi: Anello di tenuta in acciaio, Anello di tenuta in acciaio cinese, Produttore di anelli di tenuta in acciaio
Categoria correlata
Invia richiesta
Non esitate a dare la vostra richiesta nel modulo sottostante. Ti risponderemo entro 24 ore.
X
Utilizziamo i cookie per offrirti una migliore esperienza di navigazione, analizzare il traffico del sito e personalizzare i contenuti. Utilizzando questo sito, accetti il ​​nostro utilizzo dei cookie. politica sulla riservatezza