Occhielli per oliatore

Occhielli per oliatore

Gli occhielli per oliatore in acciaio inossidabile sono piccoli anelli speciali utilizzati negli oliatori. Prendono il nome dal loro uso classico nei tradizionali oliatori. Nuote Metals a Dongguan, in Cina, produce affidabili occhielli per oliatori in acciaio inossidabile di diverse dimensioni.

Invia richiesta

Descrizione del prodotto

Introduzione degli occhielli per oliatore

Questi occhielli per oliatore sono realizzati in un unico pezzo di acciaio inossidabile. Ciò li rende forti e resistenti alla ruggine, il che è molto importante per un uso duraturo. Il design include un centro cavo e una scanalatura preformata. Questa scanalatura facilita l'aggraffatura sicura degli occhielli del contenitore dell'olio in un foro della lamiera senza troppi sforzi. L'installazione è rapida e crea una tenuta ermetica e permanente.


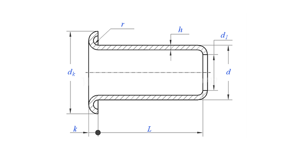
Disegno degli occhielli per oliatore come di seguito:

L'applicazione degli occhielli per oliatore mostra:

Parametro degli occhielli per oliatore (specifica)


Materiale Acciaio inossidabile 304
Trattamento superficiale Pulito, zincatura, nichelatura, argentatura, come richiesto
Certificato Conforme a Rohs
Diametro del gambo 0,8-10 mm
Tolleranza +/-0,05 mm
Applicazione Adatto per l'uso in vari settori, tra cui quello automobilistico, aerospaziale, elettrico ed elettronico, ecc.
Controllo di qualità

L'ispezione dell'intera gamma al 100% durante la produzione garantisce che ciascun prodotto soddisfi gli standard ISO, garantendo prodotti di alta qualità.


Caratteristiche e applicazione degli occhielli per oliatore

Troverai questi occhielli per oliatore dove sono più necessari: sul beccuccio di un oliatore. Creano un foro liscio e rinforzato attraverso il quale l'olio può fluire. Questa semplice parte rende la lattina più facile e pulita da usare. Inoltre rende il beccuccio molto più forte, quindi non si consumerà facilmente. Senza un buon occhiello per il oliatore, il bordo metallico può diventare ruvido e causare perdite. Ecco perché questa piccola parte è così importante per un oliatore affidabile.


occhielli per oliatore Dettagli di produzione

Informazioni sull'imballaggio


Domande frequenti:

Q1: Qual è il tuo MOQ per gli occhielli delle lattine di olio?

Il MOQ per i rivetti è di 20.000 pezzi.


Q2: puoi personalizzare la realizzazione con il nostro disegno?

Sì, la maggior parte dei nostri rivetti tubolari sono realizzati su misura con il disegno del cliente.


Q3: potreste fornire campioni gratuiti di rivetti cavi?

Possiamo fornire campioni gratuiti per le dimensioni che abbiamo in magazzino, ma i clienti pagheranno le spese Express.


Q4: qual è il tempo di consegna?

Dimensioni dei rivetti in stock: 3-5 giorni, rivetti non standard: 15-25 giorni. Effettueremo la consegna il prima possibile con la qualità della garanzia.


Q5: La qualità dei tuoi prodotti?

L'azienda dispone di apparecchiature avanzate di produzione e collaudo. Ogni prodotto sarà ispezionato al 100% dal nostro reparto di controllo qualità prima della spedizione.


Q6: Perché scegliamo la tecnologia Nuote?

1.Noi rispettiamo i termini del cliente per proteggere i progetti sulla privacy dei clienti.

2. Alta qualità con un prezzo interessante

3. Termine d'esecuzione veloce

4. Affare felice e onestà nei confronti del cliente e del partner

5. L'annuncio di vendita professionale risponde alla tua richiesta entro 8 ore.

6.I prodotti e i servizi di Nuote sono venduti in più di 70 paesi con una buona reputazione





Tag caldi: Occhielli per oliatore, occhielli per oliatore, occhielli in acciaio inossidabile per oliatore
Categoria correlata
Invia richiesta
Non esitate a dare la vostra richiesta nel modulo sottostante. Ti risponderemo entro 24 ore.
X
Utilizziamo i cookie per offrirti una migliore esperienza di navigazione, analizzare il traffico del sito e personalizzare i contenuti. Utilizzando questo sito, accetti il ​​nostro utilizzo dei cookie. politica sulla riservatezza