Occhielli in acciaio inossidabile
  • Occhielli in acciaio inossidabile Occhielli in acciaio inossidabile

Occhielli in acciaio inossidabile

Nuote Metals è uno dei pionieri leader nella produzione di occhielli in acciaio inossidabile in Cina, gli occhielli in acciaio inossidabile sono realizzati in lamiera di acciaio inossidabile, forniscono una resistenza alla corrosione superiore rispetto agli occhielli in acciaio, rendendoli ideali per applicazioni esposte all'umidità o ad ambienti difficili.

Invia richiesta

Descrizione del prodotto

Introduzione di occhielli in acciaio inox


Gli occhielli in acciaio inossidabile sono elementi di fissaggio circolari in metallo utilizzati per rinforzare i fori preforati nel tessuto e in altri materiali morbidi. Sono costituiti da un unico pezzo di materiale che viene inserito nel foro e poi compresso utilizzando uno strumento manuale o una macchina per fissare permanentemente l'occhiello metallico.


stainless steel eyelets


spettacolo di applicazioni occhielli in acciaio inossidabile:


stainless steel eyelets 

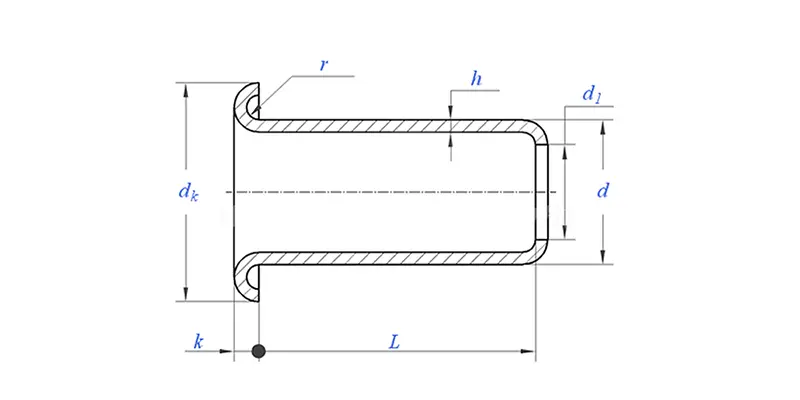
Parametro del prodotto (specifica)


Materiale

acciaio inossidabile

Trattamento superficiale

Pulito, zincatura, nichelatura, argentatura, come richiesto

Certificato

Conforme a Rohs

Diametro del gambo

0,8-10 mm

Tolleranza

+/-0,05 mm

Applicazione

 Adatto per l'uso in vari settori, tra cuiautomobilistico, aerospaziale, elettrico ed elettronico,  ecc.

Controllo di qualità

L'ispezione dell'intera gamma al 100% durante la produzione garantisce che ciascun prodotto soddisfi gli standard ISO, garantendo prodotti di alta qualità.



Caratteristica e applicazione del prodotto


Gli occhielli in acciaio inossidabile sono elementi di fissaggio in metallo utilizzati per rinforzare i fori e coprire fori con bordi taglienti in metallo e plastica. sono ampiamente utilizzati per abbigliamento, scarpe, teloni, segnaletica e striscioni, vele, bandiere, tende da doccia e molte altre applicazioni.


occhielli in acciaio inossidabile Dettagli di produzione


stainless steel eyelets


Informazioni sull'imballaggio


stainless steel eyelets


Domande frequenti:


Q1: Qual è il tuo MOQ per gli occhielli in acciaio inossidabile?

Il MOQ per i rivetti è di 20.000 pezzi.


Q2: puoi personalizzare la realizzazione con il nostro disegno?

Sì, la maggior parte dei nostri occhielli sono realizzati su misura con il disegno del cliente.


Q3: potreste fornire campioni gratuiti di rivetti ad occhiello?

Possiamo fornire campioni gratuiti per le dimensioni che abbiamo in magazzino, ma i clienti pagheranno le spese Express.


Q4: qual è il tempo di consegna?

Dimensioni dei rivetti in stock: 3-5 giorni, rivetti non standard: 15-25 giorni. Effettueremo la consegna il prima possibile con la qualità della garanzia.


Q5: La qualità dei tuoi prodotti?

L'azienda dispone di apparecchiature avanzate di produzione e collaudo. Ogni prodotto sarà ispezionato al 100% dal nostro reparto di controllo qualità prima della spedizione.


Q6: Perché scegliamo la tecnologia Nuote?

1.Noi rispettiamo i termini del cliente per proteggere i progetti sulla privacy dei clienti.

2. Alta qualità con un prezzo interessante

3. Termine d'esecuzione veloce

4. Affare felice e onestà nei confronti del cliente e del partner

5. L'annuncio di vendita professionale risponde alla tua richiesta entro 8 ore.

6.I prodotti e i servizi di Nuote sono venduti in più di 70 paesi con una buona reputazione




Tag caldi: Occhielli in acciaio inossidabile
Categoria correlata
Invia richiesta
Non esitate a dare la vostra richiesta nel modulo sottostante. Ti risponderemo entro 24 ore.
X
Utilizziamo i cookie per offrirti una migliore esperienza di navigazione, analizzare il traffico del sito e personalizzare i contenuti. Utilizzando questo sito, accetti il ​​nostro utilizzo dei cookie. politica sulla riservatezza