Rivetti cavi in ​​ottone

Rivetti cavi in ​​ottone

I rivetti cavi in ​​ottone sono generalmente realizzati con tubi di ottone. I tubi in ottone sono duri, non facili da corrodere e resistenti alle alte temperature e alle alte pressioni. Possono essere utilizzati in una varietà di ambienti. Allo stesso tempo, sono più facili da piegare, torcere, spezzare e rompere rispetto ai metalli comuni. Nuote Metals è un produttore professionale di rivetti cavi in ​​ottone in Cina, operiamo in questo settore da oltre 10 anni.

Invia richiesta

Descrizione del prodotto

Introduzione dei rivetti cavi in ​​ottone


Rivetti cavi in ​​ottone (noti anche comerivetti cavi in ​​ottone Orivetti ad occhiello) sono comunemente utilizzati nell'abbigliamento, nell'elettronica, negli elettrodomestici, nelle calzature, nelle borse, nelle cinture e negli indumenti per rivettatura, decorazione, fissaggio e perforazione. I rivetti cavi in ​​ottone richiedono una nuova rivettatura e vengono utilizzati per collegare pezzi pesanti, spesso strutture non staccabili. I rivetti cavi in ​​ottone sono ampiamente utilizzati. Questi rivetti cavi in ​​ottone con risvolto (estremità più piccola) sono realizzati con tubi rigidi e possono penetrare piastre di acciaio fino a 0,5 mm di spessore senza preforatura. Sono resistenti alla flessione e alla deformazione e sono comunemente usati nelle casseforti.


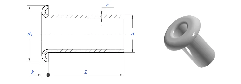
Disegno di un rivetto cavo in ottone:


Parametro dei rivetti cavi in ​​ottone (specifica)


Materiale

ottone

Trattamento superficiale

Pulito, placcatura con nichel, zinco, oro, scheggia, come richiesto

Certificato

Conforme a Rohs

Diametro del gambo

0,8-10 mm

Tolleranza

+/-0,05 mm

Applicazione

 Adatto per l'uso in vari settori, tra cuiautomobilistico, aerospaziale,elettrici ed elettronici,  ecc.

Controllo di qualità

L'ispezione dell'intera gamma al 100% durante la produzione garantisce che ciascun prodotto soddisfi gli standard ISO, garantendo prodotti di alta qualità.



Caratteristica e applicazione dei rivetti cavi in ​​ottone


I rivetti cavi in ​​ottone sono utilizzati in una varietà di settori. Nell'elettronica, collegano fili o componenti, sfruttando la loro conduttività elettrica per garantire la trasmissione del segnale. Nell'industria automobilistica vengono utilizzati per componenti interni o costruzioni leggere, poiché possono essere installati rapidamente e senza saldature. Negli articoli per la casa come mobili o oggetti decorativi, i rivetti in rame forniscono collegamenti esteticamente gradevoli e affidabili. Altre applicazioni includono giocattoli, illuminazione e progetti fai-da-te, dove l'alleggerimento e la resistenza alla corrosione sono vantaggiosi.


rivetti cavi in ​​ottone Dettagli di produzione


Informazioni sull'imballaggio

Domande frequenti:


Q1: Qual è il tuo MOQ per i rivetti cavi in ​​ottone?

Il MOQ per i rivetti è di 20.000 pezzi.


Q2: puoi personalizzare la realizzazione con il nostro disegno?

Sì, la maggior parte dei nostri rivetti cavi in ​​ottone sono realizzati su misura con il disegno del cliente.


Q3: potreste fornire campioni gratuiti di rivetti cavi in ​​ottone?

Possiamo fornire campioni gratuiti per le dimensioni che abbiamo in magazzino, ma i clienti pagheranno le spese Express.


Q4: qual è il tempo di consegna?

Dimensioni dei rivetti in stock: 3-5 giorni, rivetti non standard: 15-25 giorni. Effettueremo la consegna il prima possibile con la qualità della garanzia.


Q5: La qualità dei tuoi prodotti?

L'azienda dispone di apparecchiature avanzate di produzione e collaudo. Ogni prodotto sarà ispezionato al 100% dal nostro reparto di controllo qualità prima della spedizione.


Q6: Perché scegliamo la tecnologia Nuote?

1.Noi rispettiamo i termini del cliente per proteggere i progetti sulla privacy dei clienti.

2. Alta qualità con un prezzo interessante

3. Termine d'esecuzione veloce

4. Affare felice e onestà nei confronti del cliente e del partner

5. L'annuncio di vendita professionale risponde alla tua richiesta entro 8 ore.

6.I prodotti e i servizi di Nuote sono venduti in più di 70 paesi con una buona reputazione





Tag caldi: Fornitore di rivetti cavi in ​​ottone, commercio all'ingrosso di rivetti in ottone cavi, produttore di rivetti in ottone industriali
Categoria correlata
Invia richiesta
Non esitate a dare la vostra richiesta nel modulo sottostante. Ti risponderemo entro 24 ore.
X
Utilizziamo i cookie per offrirti una migliore esperienza di navigazione, analizzare il traffico del sito e personalizzare i contenuti. Utilizzando questo sito, accetti il ​​nostro utilizzo dei cookie. politica sulla riservatezza